Verification: 4536fa6a2efa50c7

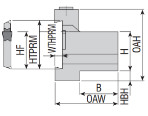
ALBU-25-32

15641,00 руб.

Надежный сменный блок для лезвий AKKO модели ALBU-25-32. Турецкое качество, точная геометрия и долговечность.

Преимущества
✅ Оригинальная продукция AKKO (Турция) — заводская гарантия качества.

✅ Точная посадка — блок идеально совместим с лезвиями высотой 32 мм.

✅ Износостойкая сталь — выдерживает высокие нагрузки и вибрацию.

✅ Быстрая замена лезвий — экономит время при переналадке станка.